🔹 ĐỆM CHỐNG VA TÀU – CSS FENDER
Đệm chống va tàu CSS (Cell Fender) do Nguyễn Tài sản xuất là giải pháp tối ưu cho việc bảo vệ tàu biển và kết cấu cầu cảng trong điều kiện khai thác nặng. Với cấu trúc cell trụ đặc trưng kết hợp bản tựa lớn, đệm va Cell giúp phân bổ lực va chạm đồng đều, giảm ứng suất tập trung lên thân tàu và kết cấu bến.
Sản phẩm có khả năng chịu biến dạng lên đến 52,5%, cho hiệu suất hấp thụ năng lượng vượt trội trong khi vẫn duy trì mức phản lực thấp. Nhờ đó, đệm va CSS đặc biệt phù hợp với các bến cảng tiếp nhận tàu trọng tải lớn và điều kiện cập cảng khắc nghiệt.
🔹 ƯU ĐIỂM NỔI BẬT CỦA ĐỆM VA CSS
-
Hấp thụ năng lượng va chạm lớn, phản lực thấp
-
Bản tựa diện tích lớn, giảm áp lực cục bộ lên thân tàu
-
Khả năng chịu biến dạng cao, hoạt động ổn định trong thời gian dài
-
Dải kích thước đa dạng, chiều cao từ 300 mm đến 3.000 mm
-
Phù hợp cho nhiều loại tàu và nhiều dạng cầu cảng khác nhau
Đệm va CSS được thiết kế để làm việc bền bỉ trong môi trường biển khắc nghiệt, đáp ứng yêu cầu khai thác liên tục của các cảng biển hiện đại.
🔹 GIẢI PHÁP LẮP ĐẶT & KẾT HỢP HỆ THỐNG
Để đảm bảo độ an toàn và ổn định, đệm va Cell CSS được lắp đặt bằng hệ thống xích neo và bu lông chữ U, chôn sâu trong bê tông cầu cảng. Phương án này giúp tăng khả năng chịu lực, chống dịch chuyển và kéo dài tuổi thọ hệ thống.
Ngoài ra, đệm va CSS có thể kết hợp linh hoạt với nhiều loại đệm va khác như:
-
Đệm va tròn
-
Đệm va côn (Cone Fender)
-
Đệm va Lambda
Sự kết hợp này giúp tối ưu khả năng tiếp nhận tàu và nâng cao mức độ an toàn cho các bến cảng có nhiều loại tàu khai thác khác nhau.
🔹 PHỤ KIỆN ĐỆM VA CSS
(Cung cấp đầy đủ theo cấu hình và yêu cầu kỹ thuật của từng dự án)
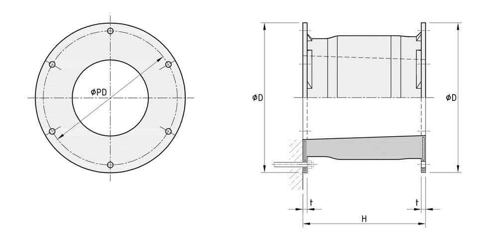
🔹 ĐẶC TÍNH KỸ THUẬT

| H | D | PD | t | Head Bolts | Anchors | Weight |
| 400 | 650 | 550 | 25 | 4x M24 | 4x M24 | 78 |
| 500 | 650 | 550 | 25 | 4x M24 | 4x M24 | 112 |
| 600 | 780 | 660 | 25 | 4x M30 | 4x M30 | 185 |
| 800 | 1050 | 900 | 30 | 6x M30 | 6x M30 | 443 |
| 1000 | 1230 | 1100 | 32 | 6x M36 | 6x M36 | 742 |
| 1150 | 1440 | 1300 | 37 | 6x M42 | 6x M42 | 1.200 |
| 1250 | 1600 | 1450 | 40 | 6x M42 | 6x M42 | 1.900 |
| 1450 | 1820 | 1650 | 42 | 6x M48 | 6x M48 | 2.350 |
| 1600 | 1960 | 1800 | 45 | 8 x M48 | 8 x M48 | 3.500 |
| 1700 | 2100 | 1900 | 50 | 8 x M56 | 8 x M56 | 3.800 |
| 2000 | 2200 | 2000 | 60 | 8 x M64 | 8 x M64 | 4.550 |
| 2250 | 2550 | 2300 | 65 | 10 x M64 | 10 x M64 | 7.450 |
| 2500 | 2950 | 2700 | 70 | 10 x M64 | 10 x M64 | 10.860 |
| 3000 | 3350 | 3150 | 100 | 12 x M76 | 12 x M76 | 18.700 |
🔹 MÁC CAO SU ĐỆM VA CSS
| H | CL 1.0 | CL 1.2 | CL 1.4 | CL 1.6 | CL 1.8 | CL 2.0 | CL 2.2 | CL 2.4 | CL 2.6 | CL 2.8 | CL 3.0 | CL 3.1 | |
| 400 | E | 09 | 10 | 11 | 12 | 14 | 16 | 17 | 18 | 19 | 20 | 21 | 23 |
| R | 56 | 62 | 69 | 76 | 82 | 92 | 98 | 103 | 108 | 112 | 118 | 129 | |
| 500 | E | 20 | 22 | 24 | 26 | 29 | 32 | 33 | 35 | 37 | 39 | 41 | 42 |
| R | 87 | 96 | 105 | 115 | 128 | 142 | 151 | 160 | 168 | 176 | 184 | 191 | |
| 600 | E | 32 | 35 | 40 | 44 | 48 | 54 | 58 | 60 | 65 | 68 | 71 | 72 |
| R | 127 | 139 | 152 | 165 | 186 | 205 | 215 | 230 | 242 | 254 | 266 | 272 | |
| 800 | E | 79 | 85 | 94 | 104 | 116 | 127 | 136 | 145 | 155 | 159 | 167 | 170 |
| R | 222 | 245 | 268 | 296 | 330 | 363 | 385 | 405 | 437 | 451 | 472 | 482 | |
| 1000 | E | 153 | 168 | 184 | 203 | 226 | 250 | 265 | 280 | 296 | 310 | 325 | 332 |
| R | 348 | 384 | 418 | 462 | 514 | 568 | 600 | 638 | 670 | 704 | 738 | 752 | |
| 1150 | E | 234 | 257 | 280 | 310 | 344 | 379 | 403 | 426 | 448 | 471 | 492 | 504 |
| R | 460 | 507 | 553 | 610 | 679 | 748 | 795 | 840 | 885 | 921 | 974 | 996 | |
| 250 | E | 299 | 326 | 360 | 395 | 442 | 483 | 516 | 545 | 576 | 600 | 633 | 648 |
| R | 545 | 599 | 653 | 721 | 800 | 883 | 940 | 993 | 1044 | 1095 | 1148 | 1174 | |
| 1450 | E | 468 | 515 | 561 | 620 | 687 | 760 | 808 | 855 | 899 | 945 | 992 | 1020 |
| R | 733 | 805 | 878 | 969 | 1077 | 1185 | 1262 | 1335 | 1410 | 1478 | 1550 | 1584 | |
| 1600 | E | 626 | 690 | 755 | 833 | 920 | 1022 | 1084 | 1146 | 1208 | 1296 | 1325 | 1354 |
| R | 892 | 981 | 1074 | 1186 | 1300 | 1452 | 1538 | 1625 | 1712 | 1797 | 1928 | 1926 | |
| 1700 | E | 750 | 820 | 900 | 990 | 1110 | 1228 | 1300 | 1376 | 1444 | 1520 | 1590 | 1625 |
| R | 1000 | 1100 | 1200 | 1330 | 1480 | 1638 | 1740 | 1836 | 1933 | 2030 | 2130 | 2180 | |
| 2000 | E | 1220 | 1340 | 1460 | 1620 | 1800 | 1992 | 2112 | 2230 | 2354 | 2470 | 2590 | 2648 |
| R | 1390 | 1530 | 1670 | 1860 | 2050 | 2266 | 2404 | 2540 | 2670 | 2810 | 2940 | 3009 | |
| 2250 | E | 1740 | 1910 | 2090 | 2300 | 2570 | 2830 | 3010 | 3185 | 3360 | 3520 | 3688 | 3770 |
| R | 1760 | 1940 | 2110 | 2330 | 2600 | 2864 | 3040 | 3270 | 3390 | 3560 | 3728 | 3808 | |
| 2500 | E | 2820 | 3020 | 3420 | 3720 | 4020 | 4320 | 4580 | 4840 | 5100 | 5360 | 5620 | 6180 |
| R | 2570 | 2840 | 3120 | 3390 | 3660 | 3930 | 4170 | 4410 | 4640 | 4880 | 5120 | 5630 | |
| 3000 | E | 4210 | 4680 | 5150 | 5620 | 6100 | 6570 | 6950 | 7330 | 7710 | 8090 | 8480 | 9325 |
| R | 3670 | 4080 | 4280 | 4880 | 5280 | 5688 | 6020 | 6355 | 6690 | 7026 | 7360 | 8098 |
🔹 HƯỚNG DẪN LẮP ĐẶT ĐỆM CHỐNG VA CSS
1. Chuẩn bị
-
Xác định vị trí lắp đặt theo bản vẽ thiết kế
-
Làm sạch bề mặt bê tông, loại bỏ vật cản
-
Chuẩn bị bu lông neo, keo hóa chất hoặc Sika và thiết bị cẩu nâng
2. Lắp đặt bu lông neo
-
Bu lông có thể chôn sẵn trong quá trình đổ bê tông
-
Hoặc lắp đặt sau bằng bu lông hóa chất/keo Sika theo tiêu chuẩn kỹ thuật
3. Lắp đặt đệm va
-
Đặt đệm va đúng vị trí, căn chỉnh lỗ bu lông chính xác
-
Sử dụng cần cẩu hoặc thuyền hỗ trợ đối với đệm có kích thước và trọng lượng lớn
4. Siết chặt & hoàn thiện
-
Siết bu lông đúng lực bằng dụng cụ chuyên dụng
-
Kiểm tra tổng thể hệ thống trước khi đưa vào sử dụng
5. Kiểm tra & bảo trì định kỳ
-
Thực hiện kiểm tra định kỳ để đảm bảo hiệu suất và tuổi thọ
-
Việc lắp đặt nên do đội ngũ kỹ thuật có kinh nghiệm thực hiện
🔹 CHẤT LƯỢNG ĐỆM VA CSS NGUYỄN TÀI
Nguyễn Tài là đơn vị sản xuất đệm chống va hàng đầu tại Việt Nam, cam kết cung cấp CSS Fender đạt tiêu chuẩn PIANC, BV với thời gian bảo hành từ 03–05 năm và vòng đời sản phẩm 10–15 năm.
Sản phẩm được chế tạo từ vật liệu cao cấp, trải qua quy trình kiểm soát chất lượng nghiêm ngặt nhằm đảm bảo:
-
Khả năng hấp thụ năng lượng ổn định theo thời gian
-
Phản lực nén được kiểm soát hiệu quả
-
Hoạt động bền bỉ ngay cả trong điều kiện khai thác cảng khắc nghiệt
Khách hàng lựa chọn đệm va tàu CSS của Nguyễn Tài không chỉ nhận được sản phẩm chất lượng cao mà còn được hỗ trợ dịch vụ kỹ thuật và hậu mãi chuyên nghiệp, đảm bảo hiệu quả khai thác lâu dài và an toàn tối đa cho hệ thống cảng biển.
Các sản phẩm hổ trợ cảng biển
- Đệm va tàu Lambda
- Đệm va tàu SPC
- Đệm va tàu trụ tròn
- Đệm va tàu Ppi
- Bích neo tàu
- Thang cao su
- Phụ kiện
Các công trình đã thực hiện
- Cảng kho xăng dầu K662 – Tổng kho xăng dầu quân đội : NT – CSS 1000H, NT – CSS 1250H
- Cải tạo cảng Quốc Phòng Quân Khu 7 : NT – CSS 800H
- Cảng quốc phòng Quân Khu 7 : NT – CSS 1000H
- Cảng Bắc Vân Phong : NT – CSS 1150H
- Xi măng Xuân Thành – Khánh Hòa : NT – CSS 800H
- Nhà máy Nhiệt Điện Sông Hậu 1- Gói thầu BS04 : NT – CSS 1000H , NT – CSS 1250H
- Cầu cảng A3 và A3 mở rộng – Cảng Gò Dầu, Đồng Nai : NT – CSS 1000H
- Nhà máy xi măng Xuân Thành – Cam Ranh : NT – CSS 800H
- Nhà máy xi măng Thăng Long – Quảng Ninh : NT – CSS 1150H
- Cảng Gò Dầu B – Cảng Đồng Nai : NT – CSS 1000H
- Cảng Vissai – Nghệ An : NT – CSS 1150H
- Cảng Hòa Phát : NT – CSS 1250H
- Cảng xăng dầu 8 Petrolimex Bắc Vân Phong: NT – CSS 1600H
- Cảng Vĩnh Tân 2 – NT CSS 1150H
- Cảng Chu Lai – Trường Hải : NT – CSS 1450H
Liên Hệ Ngay Với Nguyễn Tài
Bạn đang tìm nhà cung cấp đệm va tàu uy tín, chất lượng tại Việt Nam? Hãy liên hệ ngay với Nguyễn Tài để được tư vấn giải pháp phù hợp và nhận báo giá chi tiết.
📞 Tư vấn & đặt hàng
Chúng tôi nhận thiết kế, cung cấp và lắp đặt các sản phẩm đệm va tàu, bích neo tàu và phụ kiện đệm và tàu, bích neo theo yêu cầu kỹ thuật, đảm bảo chất lượng, tiến độ và chi phí tối ưu.
-
📍 Địa chỉ: Số 310C Nguyễn Thị Lắng, Tân Phú Trung, Huyện Củ Chi, HCM
-
📞 Hotline/Zalo: 0972.491.224
-
✉️ Email: kd.nguyentai@gmail.com
-
🌐 Website: https://nguyentaimarine.com
-
Thương hiệu: Nguyễn Tài – Uy tín tạo dựng từ chất lượng thực tế!
Nguyễn Tài – Đồng hành cùng các dự án cảng biển Việt Nam bằng thiết bị neo đậu chất lượng quốc tế.
























Reviews
There are no reviews yet.